HOME

 

Project 1: Breadboard Power Supply Modules

Pix/Vids/Schematics

(Click to enlarge)

Info

 

 

 

 

 

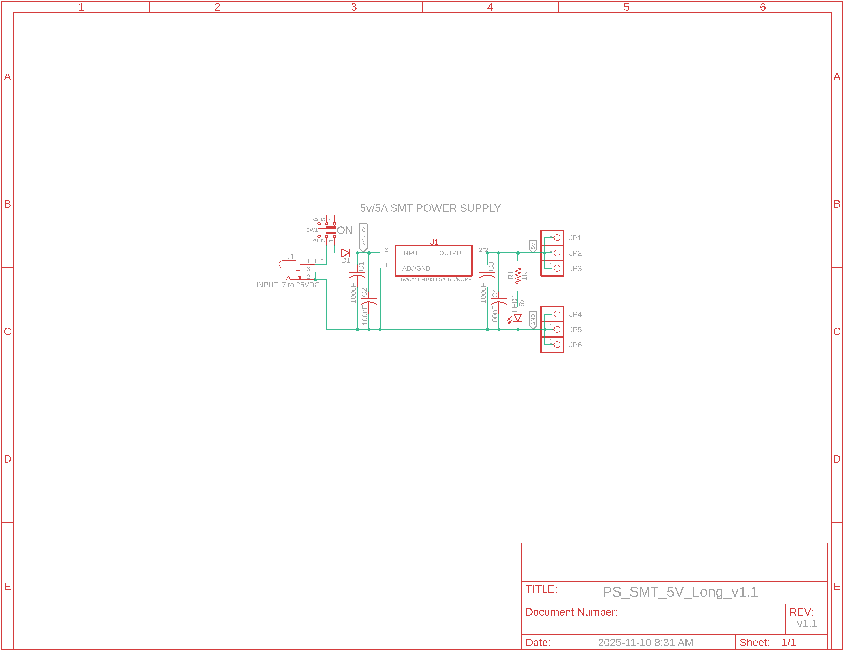
v1.1 5v/5A PS

 

(Click to enlarge)

 

 

 

 

Digikey.ca BoM

(Prices checked 2025-11-30)

 

Description:

 - 5v SMT power supply provides for up to 5A current draw

 - Designed to mount on the breadboard power rail

 - Ideal for retro projects like Z80 and 65c02 system design

 

Features:

 - Mounts on the breadboard's power rail with 0.1" spacing, no tie-point real estate waste

 - Most components are SMT 

 

Power Input:

 - 2.1mm DC barrel jack: input 7v to 12vDC

 

DC Power Output:

 - 5v up to 5000mA

v1.0 5v/5A PS & Slow Clock

Description:

Same as above but a 1Hz to 100Hz clock is added to the end of the PCB.

 

 

v1.0 3v3 or 5v 5A PCB

 

 

v1.0 Video:  3v3 or 5v 5A Operation

 

 

v1.1 PCBs have returned from  fabrication so I'll populate and test them shortly.

 

 

 

 

 

Eagle CAD: BoM (Bill of Materials)

Digikey.ca BOM

 

Description:

Dual voltage (3v3 or 5v) power supply designed for breadboards. If you need both 3v3 and 5v then see Project 13.

 

Features:

 - Mounts on the breadboard's power rail with 0.1" spacing; it does not waste tie-point real estate

 - With the exception of the two voltage regulators, all discrete components are through-hole for easy soldering

 - 5v or 3.3v DC output

 - 3 common power input types

 

Power Input:

 - 2.1mm DC barrel jack: input 7v to 12vDC

 - screw terminal:  input 7v to 12vDC

 - miniUSB: 5vDC for 3v3 output only

 

Power Output:

 - 5v or 3.3vDC, jumper selectable

 - Output current limit is 1000mA regulated by NCP1117

Updated 2025-12-14

 

HOME